Büro
Arbeitsumgebungen mit höhenverstellbaren Schreibtischen für mehr Komfort und Produktivität.

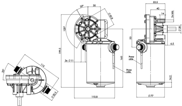
Die Getriebemotoren GML77-35-Z3-X haben keine Funkentstörung; sie sind mit austauschbaren Kohlen ausgestattet. Die Rotorwelle hat eine drei-gängige Schnecke.
Der Hall-Sensor liefert ein Signal, das die Anzahl der Motorumdrehungen zählen lässt. Mit zwei Hall-Sensoren ist ebenfalls möglich, die Drehrichtung des Elektromotors zu bestimmen.
Die austauschbaren Kohlen ermöglichen die Lebensdauer des Motors zu verlängern.
Im technischen Datenblatt können Sie die Abtriebswelle wählen und eine spezielle Verkabelung erfordern. Es sollte im Formblatt ausdrücklich darauf hingewiesen werden.
In der Tabelle „Elektrische Daten“ wird den Betriebsspannungsbereich angegeben und werden dann auch die Leistungen für die am häufigsten verwendeten Spannungen, 12V und 24V aufgelistet.
Die interaktive Kennlinie erlaubt die Wahl der erforderlichen Leistungen durch Auswahl der Versorgungsspannung und der Leerlaufdrehzahl.
Arbeitsumgebungen mit höhenverstellbaren Schreibtischen für mehr Komfort und Produktivität.
Leistungsstarke und produktive Kaffeemaschinen, Joghurtmaschinen, Konditoreimaschinen, Honigschleudern und Zitruspressen.
Funktionalität und Komfort im Wohnbereich – mit motorisierten Relaxsesseln und verstellbaren Betten.
Optimierung automatisierter Prozesse, industrielle Robotik, Montagesysteme.
Maßgeschneiderte Lösungen zur Verbesserung von Effizienz, Produktivität und Automatisierung in industriellen Prozessen.
Gleichstromelektromotoren für den Agrarsektor: Komfort und Sicherheit in landwirtschaftlichen Anwendungen
Gleichstromelektromotoren für den nautischen Bereich: Komfort und Sicherheit auf See.
Gleichstromelektromotoren für den medizinischen Sektor: Komfort und Sicherheit in medizinischen Anwendungen.
Gleichstromelektromotoren für Öffnungssysteme: Komfort und Sicherheit bei der Automatisierung von Toren und Rolltoren.
Kaffeemaschinen, Joghurtspender, Gebäckautomaten, Honigentleerer und Zitruspressen – effizient und leistungsstark.
| Standard nominal voltage | 12 V | 24 V |
| No load speed N0 [Rpm] | 100÷300 | 100÷300 |
| No load current I0 [A] | 0,70÷2,10 | 0,35÷1,05 |
| Nominal speed Nn [Rpm] | 82÷283 | 79÷279 |
| Nominal torque Mn [Nm] | 1,55 | 1,80 |
| Nominal current In [A] | 2,40÷6,90 | 1,34÷4 |
| Nominal power Pn [W] | 13,30÷45,70 | 14,90÷52,50 |
| Stall torque Ms [Nm] | 8,60÷25,60 | 8,60÷25,60 |
| Starting current Is [A] | 10,20÷87 | 5,10÷43,50 |
| Max power Pmax [W] | 22,50÷200 | 22,50÷200 |
| Max efficiency ηmax [%] | 46,20÷57,70 | 46,20÷57,70 |
| Gears materials | Plastik |
| Gear ratio | 3:44 |
| Type of duty | S3 (abhängig von den Betriebsparametern)<br> <br> <br> |
| Weight [kg] | 2,00 |
