Büro
Arbeitsumgebungen mit höhenverstellbaren Schreibtischen für mehr Komfort und Produktivität.

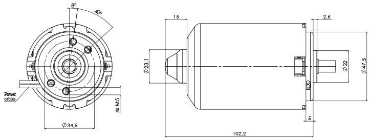
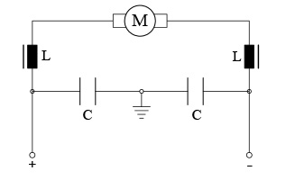
Die M-59 Motoren sind Elektromotoren, die mit einem Geräuschfilter ausgestattet sind. Der Geräuschfilter, der in der Regel aus einer LC-Schaltung besteht, ermöglicht die Prüfung der Elektromotoren gemäß den EMV-Richtlinien. Nachstehend finden Sie die elektrischen Daten mit den Leistungsdaten dieser Baureihe für die am häufigsten verwendeten Spannungen, 12V und 24V. Sie finden auch die mechanischen Daten und eine technische Zeichnung eines Standardprodukts dieser Baureihe. Außerdem können Sie über das Kontaktformular ein Angebot mit den gewünschten Änderungen anfordern.
Arbeitsumgebungen mit höhenverstellbaren Schreibtischen für mehr Komfort und Produktivität.
Leistungsstarke und produktive Kaffeemaschinen, Joghurtmaschinen, Konditoreimaschinen, Honigschleudern und Zitruspressen.
Funktionalität und Komfort im Wohnbereich – mit motorisierten Relaxsesseln und verstellbaren Betten.
Optimierung automatisierter Prozesse, industrielle Robotik, Montagesysteme.
Maßgeschneiderte Lösungen zur Verbesserung von Effizienz, Produktivität und Automatisierung in industriellen Prozessen.
Gleichstromelektromotoren für den Agrarsektor: Komfort und Sicherheit in landwirtschaftlichen Anwendungen
Gleichstromelektromotoren für den nautischen Bereich: Komfort und Sicherheit auf See.
Gleichstromelektromotoren für den medizinischen Sektor: Komfort und Sicherheit in medizinischen Anwendungen.
Gleichstromelektromotoren für Öffnungssysteme: Komfort und Sicherheit bei der Automatisierung von Toren und Rolltoren.
Kaffeemaschinen, Joghurtspender, Gebäckautomaten, Honigentleerer und Zitruspressen – effizient und leistungsstark.
| Standard nominal voltage | 12 V | 24 V |
| No load speed N0 [Rpm] | 1000÷8000 | 2000÷8000 |
| No load current I0 [A] | 0,8÷2 | 0,4÷1 |
| Nominal speed Nn [Rpm] | 800÷7800 | 1800÷7800 |
| Nominal torque Mn [Nm] | 0,04 | 0,06 |
| Nominal current In [A] | 2÷6 | 1÷3 |
| Nominal power Pn [W] | 16÷45 | 16÷45 |
| Stall torque Ms [Nm] | 0,40÷1,30 | 0,40÷1,50 |
| Starting current Is [A] | 15÷80 | 8÷40 |
| Max power Pmax [W] | 50÷150 | 50÷200 |
| Max efficiency ηmax [%] | 50÷80 | 50÷80 |
| Gears materials | |
| Gear ratio | - |
| Type of duty | S3 (abhängig von den Betriebsparametern)<br> <br> <br> |
| Weight [kg] | 0,70 |

